Bonding Wires

What are "Bonding wires"?
Bonding wires are key materials for electrically connecting semiconductor chips to external circuits. The main bonding methods are ball bonding and wedge bonding. Our portfolio includes fine gold wire for IC assembly, silver alloy wire with high electrical and thermal conductivity, cost-efficient copper and copper alloy wire, and large-diameter aluminum and copper wire for power devices. Highly reliable, application-optimized products support diverse packaging needs.
World’s Largest Provider(*)
TANAKA’s Bonding Wires
TANAKA provides bonding wires and ribbons, including ultra-fine wires made of gold (Au), silver (Ag), copper (Cu), and palladium coated copper (PCC), as well as thicker aluminum (Al) and copper (Cu) wires and ribbons for power device. We provide wires with smooth and clean surfaces that have excellent dimensional stability together with solutions that include expertise on metal bonding.
(*)Source: SEMI Global Semiconductor Packaging Materials Outlook – 2024 Edition
Gold and Gold Alloy Bonding Wires

More than 50 Years of Trust and Experience
Gold (Au) and gold alloy bonding wires with high performance continue to support the semiconductor industry. They boast chemical stability and excellent electrical conductivity not found in other metals. Through material development, we can achieve functions such as fine pitch and low loop while maintaining high purity.
Silver Alloy Bonding Wire

Giving Form to the Technologies of a precious Metal Maker
Silver (Ag) alloy bonding wires have excellent electrical and thermal conductivity. They are also effective wires for optical semiconductor devices such as LEDs as they have high reflectivity in the visible spectrum. In addition, as an alternative material for gold (Au) wires, costs can be reduced by approximately 80%.
Copper and Copper Alloy Bonding Wires

The best product to reduce costs.
TANAKA offers high-purity copper (Cu) ultra-fine wires (down to 15 um) of oxygen-free copper grade. Costs can be reduced by approximately 90% compared to expensive gold (Au) wires.
Aluminum and Copper Bonding Wires for Power Devices

The Standard for Power Devices
TANAKA ELECTRONICS offers high-purity aluminum (Al) and copper (Cu) bonding wires (100 to 500µm) and ribbons (width 0.5 to 2.0mm) with excellent surface properties of automotive grade. As aluminum has excellent moisture resistance , it is often used in power device applications that drive high currents under harsh environments. We also have wires for power devices that use copper, which has even better electrical conductivity.
Palladium-Coated Copper Bonding Wires (PCC Bonding Wires)

Obtaining advantage in both cost and performance
It is a copper bonding wire covered with palladium on the wire surface. Cost reduction is achieved with high bonding properties and bonding reliability.
List of Types
| Fine Wire (14μm to 80μm) |
Thick Wire (φ100µm to 500µm) |
リボン | |
|---|---|---|---|
| Gold |
![]() |
![]() |
![]() |
| Silver |
![]() |
![]() |
![]() |
| Copper |
![]() |
![]() |
![]() |
| Aluminium | ![]() |
![]() |
![]() |
| P alladium C oated C opper |
![]() |
![]() |
![]() |
Please inquire regarding product and development items for which detailed information is not provided on this site.
Results of wire and bonded material combinations
| Bonding | Bonded Materials | ||||||
|---|---|---|---|---|---|---|---|
| Al | Au/Pd/Ni plating |
Ag plating |
Ni plating |
Cu | |||
| Wire | Au/Au合金 | Ball bonding |
★★★ | ★★★ | ★★★ | ☆☆☆ | ★☆☆ |
| PCC | Ball bonding |
★★★ | ★★★ | ★★★ | ☆☆☆ | ★☆☆ | |
| Cu/Cu Alloy | Ball bonding |
★★★ | ★☆☆ | ★★★ | ☆☆☆ | ★☆☆ | |
| Ag合金 | Ball bonding |
★★★ | ★★★ | ★★★ | ☆☆☆ | ☆☆☆ | |
| Cu | Wedge bonding |
★☆☆ | ☆☆☆ | ☆☆☆ | ★☆☆ | ★★★ | |
| Al | Wedge bonding |
★★★ | ★☆☆ | ☆☆☆ | ★★★ | ★★☆ | |
★ Based on combinations of market results known to us.
★★★ Considerable results in the market
★★☆ Results in the market
★☆☆ Almost no results in the market
☆☆☆ No results in the market
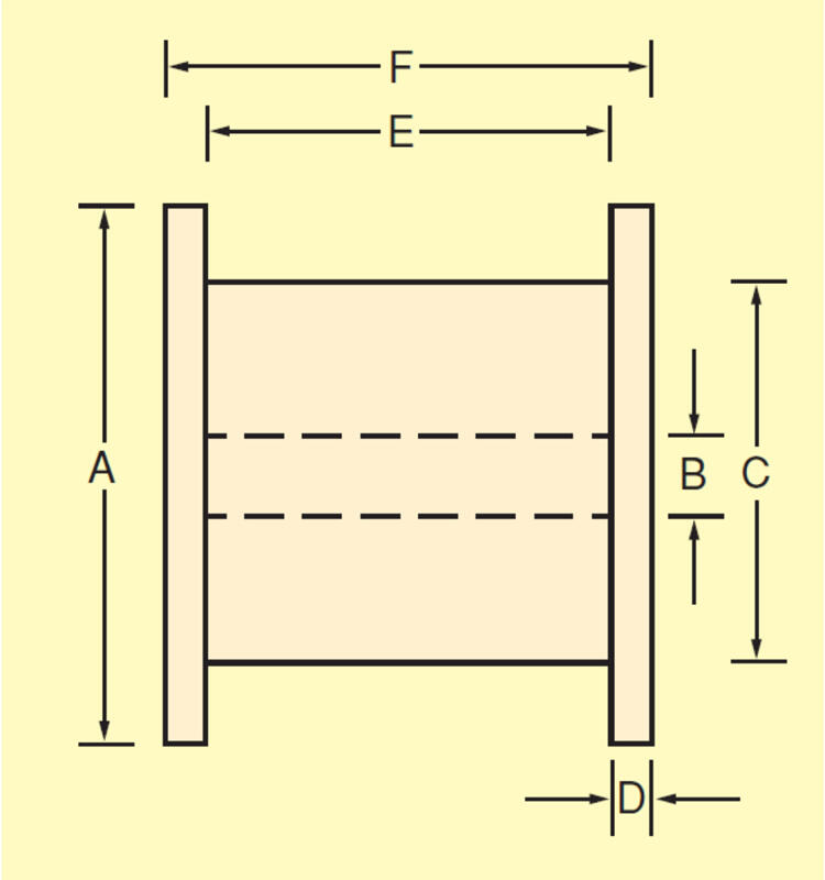
Standards Spool for Bonding Wire
For Fine Bonding Wire
| Type | Material | A | B | C | D | E | F |
|---|---|---|---|---|---|---|---|
| AL-4 | Aluminium | 58.5 | 48.8 | 50.3 | 0.75 | 45.5 | 47 |
For Wire and Ribbon for Power Devices
| Type | Material | A | B | C | D | E | F |
|---|---|---|---|---|---|---|---|
| No.88 | Polycarbonate | 88 | 10 | 50 | 3 | 25 | 31 |
| No.88B | 89 | 10 | 71 | 3 | 25 | 31 | |
| No.88K | 88 | 11 | 50 | 3 | 31 | 37 | |
| No.120 | 120 | 10 | 54 | 4 | 30 | 38 | |
| No.120K | 120 | 11 | 64 | 4 | 30 | 38 |
![]() |
|
|
|
|
|
*For other specifications, please contact us.
Physical properties (Data using simulation) *Reference values
| Gold | Copper | Aluminium | Silver | Palladium | プラチナ | |
|---|---|---|---|---|---|---|
| Atomic symbol |
Au | Cu | Al | Ag | Pd | Pt |
| Atomic number |
79 | 29 | 13 | 47 | 46 | 78 |
| Atomic weight |
196.96655 | 63.546 | 26.981538 | 107.8682 | 106.42 | 195.078 |
| Crystal structure |
fcc | fcc | fcc | fcc | fcc | fcc |
| Lattice constant (Å) |
4.0785 | 3.6147 | 4.0496 | 4.0862 | 3.8907 | 3.924 |
| Melting point (K) |
1336.15 | 1356.45±0.1 | 933.25 | 1233.95 | 1825.15 | 2042.15±1 |
| Boiling point (K) |
2983 | 2855 | 2750±50 | 2423±20 | 3150±100 | 4100±100 |
| Density (20℃) (g・cm-3) |
19.32 | 8.92 | 2.70 | 10.50 | 12.02 (22℃) | 21.45 |
| Resistivity (20℃) (µΩ・cm) |
2.3 | 1.694 | 2.7 | 1.63 | 10.8 | 10.58 |
| Heat of fusion (kJ・mol-1) |
12.37 | 13.1 | 8.40±0.16 | 11±0.5 | 16.7 | 19.7 |
| Thermal conductivity (W・m-1・K-1) |
315.5 | 397 | 238 | 425 | 75.2 | 73.4 |
| Specific heat (0~100℃) (J・kg-1・K--1) |
130 | 386.0 | 917 | 234 | 247 | 134.4 |
| Coefficient of linear expansion (0~100℃) (x 10-6・K-1) |
14.1 | 17.0 | 23.5 | 19.1 | 11.0 | 9.0 |
| Young’s modulus (GPa) |
88.3 (300K) | 136 (298K) | 69 (300K) | 100.5 (300K) | 121 (293K) | 169.9 (293K) |
| Shear modulus (GPa) |
29.6 | 26.0 | 31.3 | |||
| Poisson’s ratio |
0.440 | 0.343 | 0.345 | 0.367 | 0.393 | 0.377 |

* We can also provide products that use recycled gold as raw material in accordance with customer needs.
Download Technical Data
We provide materials that were distributed in past technical documents.
Please select the exhibition from the banner below to download the relevant materials.
Related Information
First, please make an Inquiry about the product.
For any questions regarding product specifications, pricing, delivery times, etc., please feel free to Inquiry here.

















